35kv 無源濾波補償裝置
客戶名稱:山東琛德實業有限公司
項目名稱:琛德實業-35kv 配電系統電能治理治理
山東琛德實業有限公司從事金屬材料的回收、開發研究和銷售,根據用戶提供的供電系統資料可知,用戶現有兩條35kV 專線供電。廠內安裝有兩臺 110kV/35kV 主變,每臺容量為 50000kVA。每臺主變各帶兩臺電爐變壓器(24 脈整流的 23000kVA 電爐變),其中 2#主變帶有 1 臺 9000kVA 精煉爐變壓器。由于電爐設備各低壓繞組側整流裝置的電氣傳動采用的是 24 脈整流技術,在工作時系統中不同程度地產生了一定的諧波發生量(24N±1)。根據我公司以往在電爐方面的諧波治理工程經驗可知,24 脈電爐設備工作時,在用戶高壓配電系統中, 會產生大量的 2、3、4、5、6、7、8、11、13 次諧波,高次諧波電流注入 35kV 電網,將導致電力系統中高次諧波含量迅速增長,引起供電電壓波形畸變,增加了線損和用電設備的損耗,造成了多余的能耗,影響電網其他用電設備的正常運行,降低了電能質量,影響了電網的用電安全,對設備的安全運行造成了安全隱患。
根據用戶提供的現場技術數據、技術要求,以及諧波數據分析,結合我公司以往對其它同類型項目的設計經驗,通過計算、修正及仿真,本方案設計在每段的 35kV 側各加裝一套35kv無源濾波補償裝置,設計單套濾波裝置基波補償容量為11000kvar(在滿足濾波的同時,不會造成過補),裝置共分為 3,4,5,6 次 4 條濾波支路(低次的濾波通道對高次諧波具有一定的吸收效果)。吸收 3,4,5,6,7,11,13 次諧波電流同時提供基波無功補償。
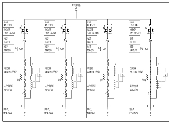
濾波裝置的一次接線圖如下圖所示:
(現場產品圖)
(現場產品圖)
我們站在客戶的立場考慮問題,在保質保量的前提下為客戶節省成本,客戶對于我們專業的技術以及貼心的服務大大贊賞,我司各部門積極配合,使得產品按時到達用戶現場,且順利完成驗收!
合肥眾升科技有限公司熱銷產品
相關生產制造
- 眾升科技高壓無功補償柜,助力安徽皖維集團有限責任公司,高效用電!
- 眾升科技高壓無功補償柜,助力貴州中偉興陽儲能科技有限公司,高效用電!
- 眾升科技高壓無功補償柜--助力益海嘉里(周口)現代食品產業園,高效用電、改善電能質量!
- 眾升科技低壓動態無功補償裝置,助力滄州東藍能源發展有限公司,高效用電!
- 眾升科技高壓無功補償柜--助力益海嘉里(周口)現代食品產業園,高效用電、改善電能質量!
- 眾升科技低壓動態無功補償裝置,助力滄州東藍能源發展有限公司,高效用電!
- 眾升科技高壓動態無功補償裝置(SVG),助力陜西發電集團東方智慧能源有限公司,高效用電!
- 眾升科技低壓動態無功補償裝置,助力九三集團鐵嶺大豆科技有限公司,高效用電!
- 眾升科技高壓動態無功補償裝置(SVG),助力大連永濟電機電器科技發展有限公司,高效用電、改善用電質量!
- 眾升科技高壓無功補償柜,助力貴州德江縣煎茶水庫工程項目,高效用電、改善用電質量!








